技术参数
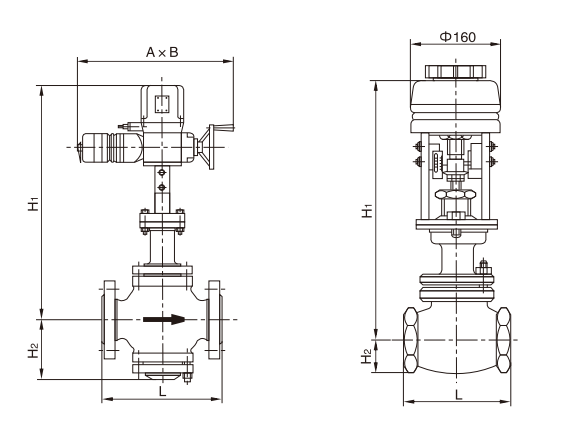
概述 ZAZP系列电动直通单座调节阀由DDZ型系列直行程电动执行机构和直通单座阀两部分组成,以单相交流220V电源为动力,接受0~10mA或4~20mA直流信号,自动控制调节阀开度,达到对管道内流体的压力、流量、液位等工艺参数的连续调节。
该产品具有动作灵敏、能源取用方便、信号传输迅速等特点。广泛应用于电力、冶金、化工、轻纺等工业自动控制系统中。
概述 ZAZP系列电动直通单座调节阀由DDZ型系列直行程电动执行机构和直通单座阀两部分组成,以单相交流220V电源为动力,接受0~10mA或4~20mA直流信号,自动控制调节阀开度,达到对管道内流体的压力、流量、液位等工艺参数的连续调节。
该产品具有动作灵敏、能源取用方便、信号传输迅速等特点。广泛应用于电力、冶金、化工、轻纺等工业自动控制系统中。