技术参数
概述
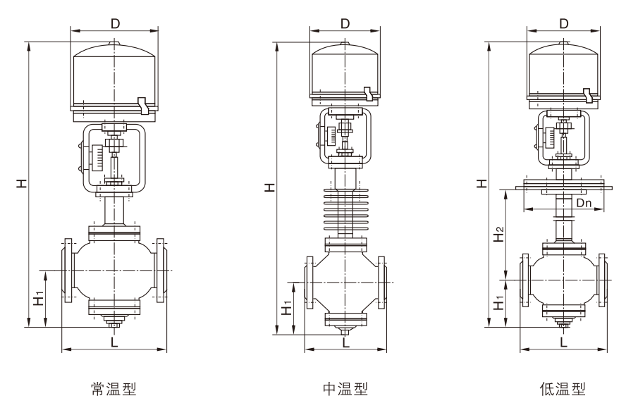
ZDLP型电子式电动单座调节阀是由3610L系列电子式电动执行机构和单座调节机构组成。电动执行机构内有伺服系统,无须另配伺 服放大器,有输入讯号及电源即可控制运转,连线简单,调节机构阀芯采用顶导向,适用于对泄漏量要求严格,阀前后压差低及有一定粘度和含有纤维介质的场合。
概述
ZDLP型电子式电动单座调节阀是由3610L系列电子式电动执行机构和单座调节机构组成。电动执行机构内有伺服系统,无须另配伺 服放大器,有输入讯号及电源即可控制运转,连线简单,调节机构阀芯采用顶导向,适用于对泄漏量要求严格,阀前后压差低及有一定粘度和含有纤维介质的场合。