首页
关于我们
公司简介
企业文化
产品中心
解决方案
石油炼化
化工煤化工
电力
钢铁冶金
环保水处理
管线阀门
质量管理
生产设备
检测设备
资质认证
新闻资讯
联系我们
联系方式
加入我们
简体中文
ENGLISH
搜索
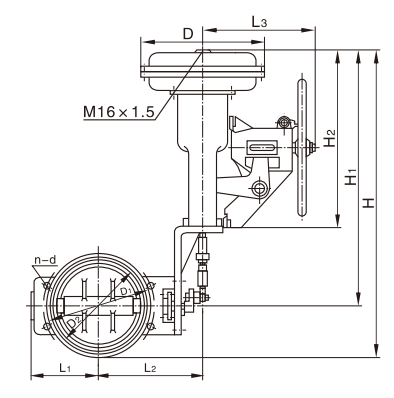
Z
MA
SC
-6
B
K
型
气动调节蝶阀
技术参数