首页
关于我们
公司简介
企业文化
产品中心
解决方案
石油炼化
化工煤化工
电力
钢铁冶金
环保水处理
管线阀门
质量管理
生产设备
检测设备
资质认证
新闻资讯
联系我们
联系方式
加入我们
简体中文
ENGLISH
搜索
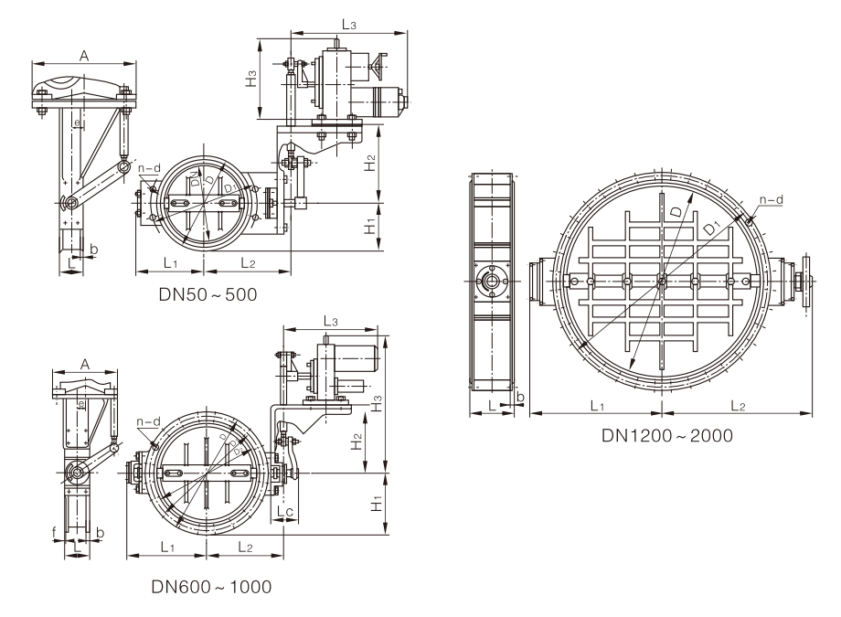
ZAJW型
电动调节蝶阀
技术参数
概述
ZDJW型电动调节蝶阀由DKJ角行程电动执行机构和蝶阀组成,它与电动单元组合仪表配合使用。具有结构简单、口径大、重量轻、操作方便等优点。广泛应用于冶金、电站石油、化工等部门。